Page 1 of 1
Speedo not working
Posted: Fri Apr 24, 2020 7:16 pm
Author: Domo 1
My speedo wasn't working on my Z900 A4 and I've pinned it down to the Speedo wheel drive unit it is not turning ,I hear it's best to change the whole unit rather than strip it ? .There's a couple of used ones on eBay but I was going to go for new but couldn't find one on Zpower website and they were not answering phones on a Friday.Any other ideas for now ?
Re: Speedo not working
Posted: Fri Apr 24, 2020 7:36 pm
Author: warren3200gt
You've got all weekend before you can contact z power so you might aswell strip your existing drive and check for obvious faults. Might just need a bit of lube and "adjustment" to the drive prongs.
Re: Speedo not working
Posted: Fri Apr 24, 2020 7:49 pm
Author: Domo 1
Thanks for advice I guess you just pull that rubber seal out and I guess there's a wheel and pinion gear assembly ,can you just explain that drive prong adjustment..sounds interesting .!
Re: Speedo not working
Posted: Fri Apr 24, 2020 7:58 pm
Author: warren3200gt
Not had the the one on my a4 apart but had a 650 one apart many times and guess as they look the same externally they are the same internally. There are two prongs which stick out the drive and locate into two recess's in the hub which creates the drive rotation. If the drive is stiff from no lube or has locked up for any reason as the hub is still rotating those two prongs would either get sheared off or be bent out of the way by the hub continuing to rotate.
Re: Speedo not working
Posted: Fri Apr 24, 2020 8:37 pm
Author: Domo 1
Thanks I'll give it go tomorrow.
Re: Speedo not working
Posted: Fri Apr 24, 2020 9:24 pm
Author: warren3200gt
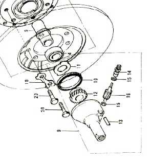
Having said all that it is more likely to be cable failure than drive failure but heres a exploded view of the drive

- 1587764905016.jpg (13.73 KiB) Viewed 4493 times
Re: Speedo not working
Posted: Sat Apr 25, 2020 8:19 am
Author: Pigford
Try this matey.......
engz1b wrote:hi, have just bought a z900 seat from bds motorcycles in north shields, said he is having a clearout and he has z900, z1000 spares some new old stock discs, calipers etc worth a phone call, contact david 01912577116
richard
Re: Speedo not working
Posted: Sat Apr 25, 2020 9:25 am
Author: DavidZ1R
I know it's a silly suggestion, but is the speedo cable okay and not snapped in the middle, I had one do that on one of my bikes a few years back.
Re: Speedo not working
Posted: Sat Apr 25, 2020 10:03 am
Author: Domo 1
I've checked speedo cable turning it whilst holding both ends
of cable its ok .i checked wheel drive on wheel spindle and by hand and when rotating the keyed section the pinions not moving .
Re: Speedo not working
Posted: Sat Apr 25, 2020 10:14 am
Author: Domo 1
I also rang bds in North Shields he hasnt got one, he's got other bits he suprisingly put me onto
DK in North Staffs saying they had bought loads of Z bits .l rang but
no answer probably Covid related .
I'll keep plugging away ,i'm trying to break in the rubber seal now
on mine its proving difficult without a vice .i must get one !
Re: Speedo not working
Posted: Thu Jun 25, 2020 9:12 pm
Author: Domo 1
Just to finish this post it’s best to get a complete second hand replacement I got one from Jason at Kawasaki Heaven .We talked on the phone to make sure the thread size on the wheel speedo gear assembly was the same measurement .A Z1 member offered a spare at the same time thanks for that Mark .(It’s working now after not working for many years )

Also the codes and markings on the replacement wheel gear assemblies are all different due to factory stamps so don’t be put off by them being different to your own .If this helps anybody that’s great cos what I know now after 3 months restoring my bike with this and many other issues it’s amazing what I know now to what I knew then .
Cheers .