Good Morning all.
I have a 1976 Z900a4 which came with Lester alloy wheels.
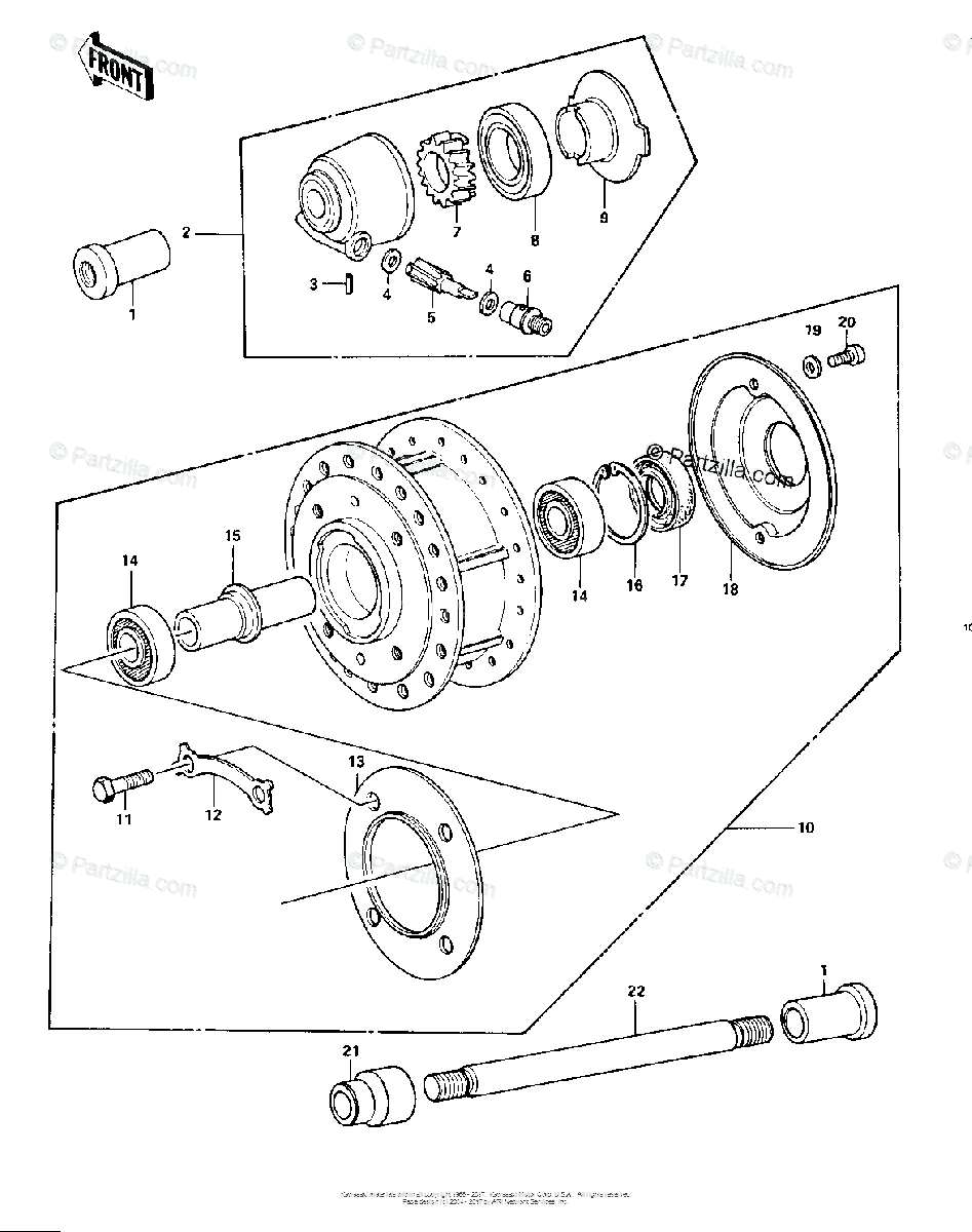
I have bought an original Z900 front wheel with the 4 bolt disc fixing, I have had to buy a replacement spindle, carrier and everything else as it wasn’t with the wheel.
The Haynes manual only shows a Z1 set up which is different to a Z900.
Does anyone have a diagram of a 1976 Z900 a4 front wheel spindle and the order in which everything goes on.
Any help would be greatly appreciated as the weather looks great this weekend and I don’t fancy Wheelying everywhere ( I don’t think I’m that good at it either)
Thank you in anticipation
Derrick
Hello Guest User,
Please feel free to have a look around the forum but be aware that as an unregistered guest you can't see all of it and you can't post.
To access these 'Registered Users Only' areas simply register and login.
Please feel free to have a look around the forum but be aware that as an unregistered guest you can't see all of it and you can't post.
To access these 'Registered Users Only' areas simply register and login.
Z900 front wheel
Moderators: chrisu, paul doran, Taffus, KeithZ1R
Re: Z900 front wheel
This help?
Re: Z900 front wheel
Thank you John.
It is more than I had, but I am still no wiser on the chrome ring and the Speedo drive retainer.
The drawing doesn’t show (or am I being Blind) does item 9 get bolted under 13 or how does it secure
It is more than I had, but I am still no wiser on the chrome ring and the Speedo drive retainer.
The drawing doesn’t show (or am I being Blind) does item 9 get bolted under 13 or how does it secure
Re: Z900 front wheel
for future reference http://www.cmsnl.com do great exploded diagrams
Re: Z900 front wheel
Thank you John, I stripped my disc retainer off and found that the person I bought the wheel from had removed the Speedo seating lug for some reason.
Fortunately enough I have bought a replacement from DK spares in Stoke on Trent which arrived today,
came with 4 long Bolts which are too long for my bike, and 2 spacers, I can only use the one that goes alongside the Speedo drive.
So I now have spare Chrome plates for the wheel, spare Bolts, spare Spindle and spacers in just in case.
Thank you for taking the time to sent the photos, maybe I can return the favour one day.
Regards Derrick
Fortunately enough I have bought a replacement from DK spares in Stoke on Trent which arrived today,
came with 4 long Bolts which are too long for my bike, and 2 spacers, I can only use the one that goes alongside the Speedo drive.
So I now have spare Chrome plates for the wheel, spare Bolts, spare Spindle and spacers in just in case.
Thank you for taking the time to sent the photos, maybe I can return the favour one day.
Regards Derrick
Who is online
Users browsing this forum: No registered users and 132 guests
